Číslicová technika – teorie
Created by Karel Soběhart
Číslicová technika ve výuce a jak to vidím já.
Pomocná OrgStránka k výuce stejnojmenného předmětu.
verze 230906
#digitální technika, #elektronika, #číslicová technika

Integrované (IO)

❓ Otázky KLO ❓
- Definice kombinačního log. obvodu s uvedením příkladu.
- Princip dekodéru vybraného kódu z n, rozdělení dekodérů, příklad, značka a pravdivostí tabulka.
- Princip multiplexeru, značka, příklad, pravdivostní tabulka a možné použití.
- Princip demultiplexeru, značka, příklad, pravdivostní tabulka a možné použití.
- Co jsou to komparátory? Uveďte rozdělení, příklad (zapojení) vybraného komparátoru s pravdicostní tabulkou.
- Princip poloviční sčítačky, značka, pravdivostní tabulka a schéma zapojení. V čem se liší úplná sčítačka?
- Význam a druhy parity v praxi, uveďte příklad s pravdivostní tabulkou včetně vysílače parity.
Kodéry
- převádí kód 1 z n na vybraný typ kódu
- 1 ze 4 do binárního kódu
| vstup | výstup B | výstup A |
| 0 | 0 | 0 |
| 1 | 0 | 1 |
| 2 | 1 | 0 |
| 3 | 1 | 1 |
- schématická značka
- schéma zapojení
Integrované (IO)
Dekodéry se často v zařízeních číslicové techniky opakují. To platí zejména o dekodérech 1 z 10. Proto byly některé dekodéry realizovány formou integrovaných obvodů.
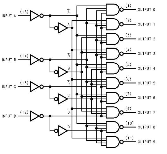
Dekodér 7442
- převodník z kódu BCD na kód 1 z 10
- má zajištěno úplné dekódování – může tedy zpracovávat i vstupní kombinace odpovídají číslům 10 až 15
- obsahuje 10 log. členů NAND a 8 NOT
- schématická značka/ zapojení pouzdra
Dekodér 74154
- převodník z binárního kódu na kód 1 z 16
- vyčerpává všechny možnosti čtyřbitového čísla
- může tež vykonávat funkci demultiplexeru

- schématická značka/zapojení pouzdra
Dekodér 74LS47



Dekodéry
- převádí vybraný kód na kód 1 z n
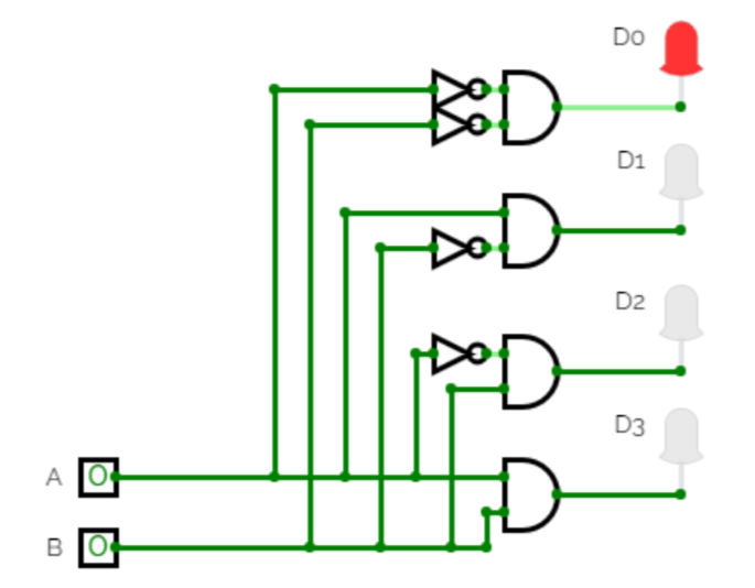
Dvojkový dekóder (výstup v log 1)
- kombinační obvod, který má n adresových vstupů a 2n výstupů, přičemž ve stavu logické 1 je pouze jeden výstup a to ten, jehož adresa je přiřazena vstupu
- pro n=2
| in B | in A | out D0 | out D1 | out D2 | out D3 |
| 0 | 0 | 1 | 0 | 0 | 0 |
| 0 | 1 | 0 | 1 | 0 | 0 |
| 1 | 0 | 0 | 0 | 1 | 0 |
| 1 | 1 | 0 | 0 | 0 | 1 |
- schématická značka
- výrazy pro výstupy
- D0 = notA ·notB
- D1 = A ·notB
- D2 = notA ·B
- D3 = A ·B
- schéma zapojení
Dvojkový dekóder (výstup v log 0)
- kombinační obvod, který má n adresových vstupů a 2n výstupů, přičemž ve stavu logické 0 je pouze jeden výstup a to ten, jehož adresa je přiřazena vstupu
- pro n=2
| in B | in A | out D0 | out D1 | out D2 | out D3 |
| 0 | 0 | 0 | 1 | 1 | 1 |
| 0 | 1 | 1 | 0 | 1 | 1 |
| 1 | 0 | 1 | 1 | 0 | 1 |
| 1 | 1 | 1 | 1 | 1 | 0 |
- schématická značka
- výrazy pro výstupy
- D0 = not(notA ·notB)
- D1 = not( A ·notB)
- D2 = not( notA ·B)
- D3 = not( A ·B)
- schéma zapojení
Integrované (IO)
Multiplexer 74151
- 8 datových vstupů (D0, ..., D7)
- 3 adresové vstupy (A, B, C)
- vstup blokování S
- výstup Y a negovaný výstup W
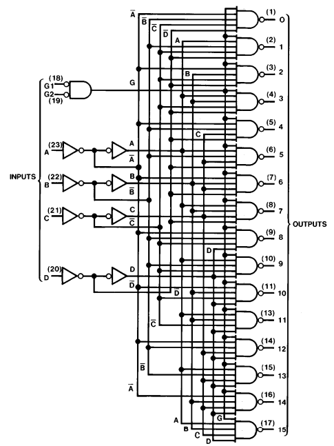
Multiplexer 74150
- 16 datových vstupů (D0, ..., D15)
- 4 adresové vstupy (A, B, C, D)
- vstup blokování S
- výstup W



Multiplexery
- elektronická zařízení, která umožňují vybrat jeden z několika vstupů a data, která jsou na něm, přivést na výstup
- pracuje jako logický přepínač
- skládá se z:
- datových (informačních) vstupů Dx
- adresových (řídících) vstupů A, B, ...
- datových výstupů Q, Y, W, ...
- případně řídících vstupů S, G, R, ...
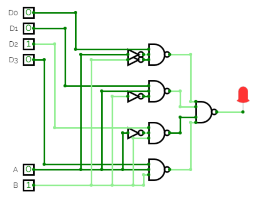
Multiplexer
- pro n=2
| B | A | D0 | D1 | D2 | D3 | Y |
| 0 | 0 | 1 | 0 | 0 | 0 | D0 |
| 0 | 1 | 0 | 1 | 0 | 0 | D1 |
| 1 | 0 | 0 | 0 | 1 | 0 | D2 |
| 1 | 1 | 0 | 0 | 0 | 1 | D3 |
- schématická značka
- výraz pro výstup
- Y = notA·notB·D0+A·notB·D1+notA·B·D2+A·B·D3
- schéma zapojení (pomocí dekodéru)


KOMBINAČNÍ LOGICKÉ OBVODY [KLO]
Demultiplexery


Integrované (IO)


Komparátory
Kombinační logické obvody a hazardy v kombinačních obvodech (vovcr.cz)
Sčítačky
Integrované (IO)

BCD+3

Poloviční sčítačka
❓ Otázky KOD ❓
- Převeďte zadané číslo z desítkové soustavy do BCD kódu a naopak – uveďte postup.
- Převeďte zadané číslo z desítkové soustavy do BCD+3 kódu a naopak – uveďte postup.
Paritní obvody

Úplná sčítačka


Integrované (IO)
BCD



Grayův kód (zrcadlový)
NOT
OR

1 ze 4
Vícemístné
příklady
❓ Otázky LO ❓
- Uveďte značku, algebraický zápis (vzorec) funkce a pravdivostní tabulku uvedených hradel (log. členů)
- Co vyjadřuje logický zisk a logická zátěž u obvodů TTL (+ možné velikosti).
- Uveďte logické úrovně U(V) TTL obvodů pro vstup (0, 1) a výstup (0, 1).
- Vysvětlete uvedený příklad označení IO TTL.

NOR


1 z 10
paritní
definice
Definice
defnice
dělení
- podle fyzikálního principu
- mechanické, pneumatické
- elektrické, elektronické, magnetické
- optické
- z hlediska chování
- podle řízení
příklady
Realizace LO pomocí tranzistorů
From transistors to micro-processors - 101 Computing
Zajímavost – LO v Minecraftu
AND
KÓDOVÁNÍ [KOD]

OrgPage obsahuje i texty generované pomocí AI. Neručím za jejich správnost. Dávám je sem spíše pro zajímavost.
Jsou označeny tímto logem 
LOGICKÉ OBVODY [LO]

NOXOR
NAND



XOR
❓ Otázky CS ❓
- Převeďte zadané číslo z desítkové soustavy do binární a naopak – uveďte postup.
- Převeďte zadané číslo z desítkové soustavy do hexadecimální a naopak – uveďte postup.
- Převeďte zadané číslo z binární soustavy do hexadecimální a naopak – uveďte postup.
- Sečtěte/odečtěte/vynásobte zadaná binární čísla – uveďte postup.


ČÍSLICOVÁ TECHNIKA




Logická proměnná
Desítková (dekadická)
ČÍSELNÉ SOUSTAVY [CS]
Logická proměnná a funkce




PARAMETRY LO



Dvojková (binární)

příklady
minimalizace
Dynamické parametry
- doba předstihu
- doba přesahu
Logická funkce [LD]
předpis funkce -> pravdivostní tabulka
Truth Table Generator (stanford.edu)
předpis funkce -> zapojení LO
typ D
Realizace pomocí hradel NOR
- princip fungování
- schéma zapojení

- pravdivostní tabulka
- schématická značka

IO 7474
Osmičková (oktalová)
Statické parametry
- vstupní napětí pro úroveň log 0
- vstupní napětí pro úroveň log 1
- výstupní napětí pro úroveň log 0
- výstupní napětí pro úroveň log 1
- logický zisk N
- rozsah pracovních teplot
- odolnost proti rušení
příklady
komutativita
asociativita
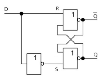
typ RS
Realizace pomocí hradel NOR
- schéma zapojení

- pravdivostní tabulka
| R | S | Q | Q' | |
| 0 | 0 | Q | Q' | paměť |
| 0 | 1 | 1 | 0 | set |
| 1 | 0 | 0 | 1 | reset |
| 1 | 1 | z.s. | z.s. | |
- schématická značka

Realizace pomocí hradel NAND
- princip fungování
- schéma zapojení

- pravdivostní tabulka
- schématická značka
| R' | S' | Q | Q' | |
| 0 | 0 | z.s. | z.s. | |
| 0 | 1 | 0 | 1 | reset |
| 1 | 0 | 1 | 0 | set |
| 1 | 1 | Q | Q' | paměť |

IO 7472
aritmetické operace
Značení LO
Šestnáctková (hexadecimální)
distributivita
typ JK
převody
typ T
dělení

2️⃣ <–> 1️⃣6️⃣
Mezní hodnoty
- TTL
- CMOS
- vstup
- výstup
- 0 -> 0–0,05 V
- 1 -> 4,95-5 C
Booleova algeba [BA]
Zákony BA
dvojitá negace
IO 7475
🔟 <–> 2️⃣







Pouzdra IO
vyloučení třetího
typ RST
Realizace pomocí hradel NAND
- princip fungování
- schéma zapojení
- pravdivostní tabulka
- schématická značka
sčítání
asynchronní

typ
Realizace pomocí hradel NOR
- princip fungování
- schéma zapojení
- pravdivostní tabulka
- schématická značka
- časový diagram
🔟 <–>1️⃣6️⃣
odčítání
násobení
agresivnost
de Morganovy
neutrálnost
absorpce negace
absorpce
řízený hladinou
synchronní

typ T
Realizace pomocí hradel NOR
- princip fungování
- schéma zapojení
- pravdivostní tabulka
- schématická značka
- časový diagram
řízený jednou hranou
Klopné obvody
- definice (zpětná vazba)
- dělení (syn.)
- dělení (stabilita)
- bistabilní
- monostabilní
- astabilní
- využití
- čítače
- posuvné registry
- paměti

typ RST (dvojčinný)

❓ Otázky SLO ❓


řízený oběma hranami

typ JK (dvojčinný)


typ D (dvojčinný)

vpřed SIPO
vpřed PIPO
SEKVENČNÍ LOGICKÉ OBVODY [SLO]
Posuvné registry

vzad SIPO

kruhový SIPO

Johnsonův čítač

Čítače

vpřed (D)


vpřed (D)


synchronní
asynchronní
vzad (D)
vpřed (JK)
vzad (JK)
vpřed BCD (D)


vpřed BCD+3 (D)
vpřed STOP (D)

